Таймер цифровой астрономический Theben SELEKTA 070 top3 UP (0700130)
Описание функций
- Цифровые таймеры с недельной программой
- Цифровой астрономический таймер с недельной программой. Настенного монтажа в монтажную коробку
- 1 канал
- Функция астрономического таймера (автоматический расчет времени восхода и захода солнца для каждого дня года)
- Смещение от расчетного времение восхода и захода солнца
- Возможно программирование через iOS и Android приложения
- Безопасная передача через опциональный Bluetooth Low Energy OBELISK top3 ключ
- Максимальная безопасность - программы переключения могут быть перенесены из приложения на таймер времени только при подключении Bluetooth OBELISK top3 к таймеру
- 3 специальные программы (небольшая годовая программа)
- Программа Астро-Импульс
- 84 ячейки памяти
- Пружинные клеммы DuoFix
- Текстовое русифицированное меню
- Резерв питания 6 лет
- Интерфейс для карты памяти OBELISK top2 (программирование на ПК)
- Ручное управление Постоянно включено / выключено
- Встроенный счетчик часов наработки
- Программа Каникулы
- Защита PIN-кодом
- Автоматический переход на летнее / зимнее время (можно отключить)
- Адаптерные рамки для установки с рамками выключателей европейских производителей
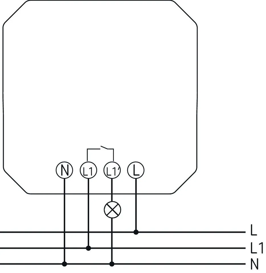
- 1 канал
- Текстовое меню настройки прибора
- Предустановленные дата и время
- готов к эксплуатации без подключения к сети
- Ресурс автономного питания 10 лет (литиевая батарея)
- Время Включения/Выключения
- Программа Импульс
- Программа Цикл
- Принудительное переключение
- Переключение Постоянно Включено / Постоянно выключено
- Программа праздничных дней, каникул
- Случайная программа
- Защита PIN кодом
- Автоматический переход на зимнее/летнее время
- может быть деактивирована
- Правила переключения времени для Европы, США и других стран
- возможность создать собственное правило переключения зимнего/летнего времени
Технические характеристики
| Номинальное напряжение | 230 V AC |
| Частота | 50 Гц |
| Тип монтажа | Врезной монтаж настенный монтаж |
| Тип контактов | нормально-разомкнутых контакта |
| Программа | Недельная программа |
| Функции программ | импульс |
| Количество каналов | 1 |
| Количество ячеек памяти | 84 |
| Резервное питание | 6 лет |
| Коммутационная способность при 250 В AC, cos φ = 1 | 10 A |
| Коммутационная способность при 250 В AC, cos φ = 0,6 | 2 A |
| Лампы накаливания/галогенные | 2300 Вт |
| Светодиодные лампы < 2 Вт | 600 Вт |
| Светодиодные лампы 2-8 Вт | 50 Вт |
| Светодиодные лампы > 8 Вт | 600 Вт |
| Минимальный время переключения | 1 s |
| Точность хода | типичный ± 0,25 сек/день (кварц) |
| вре́мя | Кварц |
| Энергопотребление в режиме ожидания | ~0,4 Вт |
| Тип подключения | Винтовые клеммы |
| Дисплей | ЖК-дисплей с текстовой строкой |
| Клавиатура | 4 кнопки, 1 кнопка сброс |
| Материалы корпуса и изоляции | Термостойкий самозатухающий термопластик |
| Степень защиты | IP 20 |
| Класс электрической защиты | II в соответствии с EN 60 730-1 |
| Температура окружающей среды | -5°C ... 55°C |