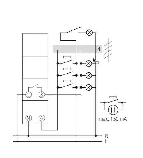
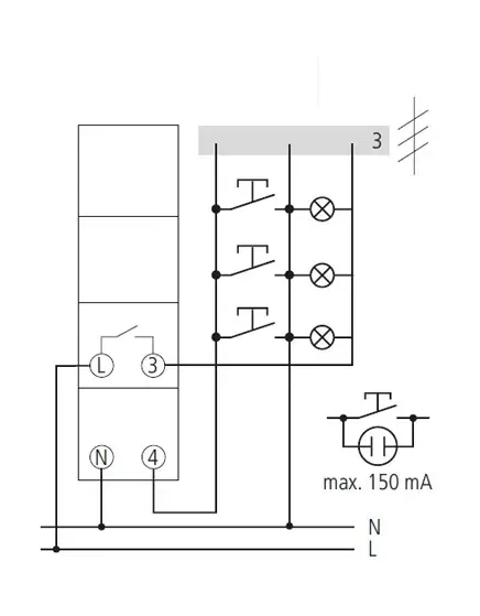
Лестничный таймер Grasslin Trealux 450 (18.13.0001.1)
Trealux обеспечивает универсальную и простую установку с автоматическим определением типа кабеля. Поэтому они идеально подходят для использования с современными источниками света, такими как энергосберегающие лампы и различные балласты.
Технические данные
| Рабочее напряжение | 230 В |
| Частота | 50 Гц |
| Электронный балласт люминесцентной лампы |
1100 W
|
| Тип установки |
Din-рейка
|
| Степень защиты | IP 20 |
| Класс защиты | II, Датчик III |
| Коммутационная способность при 250 В переменного тока, cos phi = 1 | 16 A |
| Коммутационная способность при 250 В переменного тока, cos phi = 0,6 | 10 A |
| Нагрузка на лампу накаливания / галогенную лампу | 2600 W |
| LED-Lampen < 2 W |
50 W
|
|
LED-Lampen > 2 W
|
400 W
|
| Производительность в режиме ожидания |
0,3 W
|
| Температура окружающей среды |
-10°C ... +50 °C
|