Датчик присутствия Theben theRonda P360-330 DALI UP WH (2080045)
Описание функций
- Пассивный инфракрасный датчик присутствия для установки на потолке, DALI-2 сертифицирован
- Круглая зона обнаружения, 360°. Диаметр 24 м.
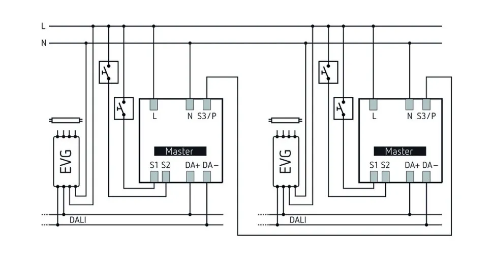
- Гибкая настройка до 3-х групп освещения на одной линии DALI-2. До 50 DALI электронных балластов можно подключить к одному датчику
- Технология DALI-2 в соответствии с IEC 62386, части 101 и 103
- Простая и интуитивная настройка DALI групп
- Возможность подключения до 3-х выключателей
- Гибкое назначение настенных выключателей для требуемого канала с помощью пульта ДУ
- Калибровка 3-х каналов измерения освещенности
- Использование обычных выключателей для максимально удобного проектирования
- Коммутация on/off или диммирование, в том числе с поддержанием постоянной освещенности (Constantlight control) и «Дежурным режимом» (Stand-by)
- Полностью автоматический или полуавтоматический режимы управления освещением
- Настраиваемый порог срабатывания по освещенности и задержка отключения
- Автонастройка порога срабатывания с помощью пульта ДУ или кнопки
- Установка коэффициента коррекции помещения (Автоматическая регулировка измерения освещенности)
- Калибровка канала измерения освещенности
- Функция «Кратковременное присутствие». Автоматическое уменьшение времени задержки отключения в случае кратковременного присутствия
- Самообучающаяся задержка отключения
- Крайне простая и быстрая установка режима энергосбережения с помощью новой функции «Eco plus»
- Ручное управления с помощью выключателя или пульта ДУ
- Функция «Тест» для освещения
- Функция «Тест» для присутствия
- Возможность записи двух сценариев освещения
- Настраиваемая чувствительность
- Зона обнаружения может быть ограничена с помощью накладок на линзу
- До 10 датчиков можно подключить в режиме Master/Master или Master/Slave - для использования в больших помещениях с несколькими или одной группами освещения
Технические характеристики
| Номинальное напряжение | 110 – 230 V AC |
| Частота | 50 – 60 Гц |
| высота установки | 2 – 10 m |
| Maximum height | 15 m |
| Минимальная высота | > 1,7 m |
| Тип монтажа | Потолочный монтаж |
| Цвет | Белый |
| Релейный выход | DALI |
| Энергопотребление в режиме ожидания | <0,4 Вт |
| Измерение освещенности | Смешанное измерение освещенности |
| Диапазон настройки яркости | 10 – 3000 lx |
| Задержка отключения освещения | 10 сек - 60 мин |
| Время режима ожидания Освещение | 0 сек - 60 мин / на |
| Яркость в режиме ожидания | 1 – 25 % |
| Лампы |
Лампы накаливания/галогенные,
Люминесцентные лампы, Энергосберегающие лампы, LEDs |
| Управляющий выход | 100 мА |
| Выход «Освещение» |
DALI-interface according to IEC SN EN 62 386
for макс. 50 DALI devices |
| Макс. диаметр сечение кабеля | макс. 2 x 2,5 mm² |
| Размер скрываемой части корпуса | Ø 55 mm (NIS, PMI) |
| Зона обнаружения | 452 m² (ø 24 m | 360°) |
| Температура окружающей среды | -15°C ... +50°C |
| Степень защиты | IP 54 (если установлен) |
Диапазон измерений
| Высота установки (А) | Сидящие люди (S) | Диагональ (T) |
| 2 m | 20 m² | 5 m | 380 m² | 22 m |
| 2,5 m | 28 m² | 6 m | 415 m² | 23 m |
| 3 m | 38 m² | 7 m | 452 m² | 24 m |
| 3,5 m | 38 m² | 7 m | 452 m² | 24 m |
| 6 m | 452 m² | 24 m | |
| 10 m | 491 m² | 25 m |