Датчик присутствия ESYLUX PD-C 360i/24 DUOplus-FM (EP10426803)
Описание
- Датчик присутствия с полем обнаружения 360° для потолочного монтажа. Скрытый монтаж.
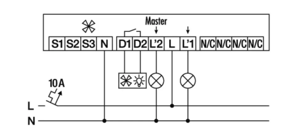
- Диапазон до 24 м в диаметре при рекомендуемой высоте установки 3 м и для независимого управления 2 зонами освещения (окна и внутренние зоны) в зависимости от присутствия и естественного освещения
- Дополнительный контакт переключателя HVAC (канал 3) для включения дополнительного источника света или управления отоплением, вентиляцией и кондиционированием воздуха в зависимости от наличия.
- Оба канала освещения и контакт HVAC с высокопроизводительным реле 16 A (вольфрамовый предварительный контакт)
- Настройки по умолчанию обеспечивают немедленную работоспособность
- Простая параметризация, дистанционное управление и документирование с помощью ESY-Pen и ESY-App
Технические характеристики
| ОБЩИЕ СВЕДЕНИЯ | |
|---|---|
| Категория устройства | Потолочный датчик присутствия |
| Возможно дистанционное управление | |
| Соответствие | CE, EAC, RoHS, WEEE |
| Гарантия | 5 лет |
| МОНТАЖ | |
|---|---|
| Тип монтажа | Скрытый монтаж / приборная коробка (Ø 68 мм) |
| Место установки | потолок |
| Монтажные размеры | Глубина монтажа: 41 мм, Ø 60 мм |
| Тип подключения | штепсельный зажим |
| КОРПУС | |
|---|---|
| Примерные | Высота/глубина 70 мм, Ø 108 мм |
| Масса | 213 г |
| Материал | УФ-стабилизированный поликарбонат |
| Степень защиты | IP20 |
| Допустимая температура окружающей среды | -25 °C...+50 °C |
| Относительная влажность воздуха | 5-93 % без конденсата |
| Цвет | Белый, по цветовой гамме близок к RAL 9010 |
| ЭЛЕКТРИЧЕСКОЕ ИСПОЛНЕНИЕ | |
|---|---|
| система управления | ON/OFF |
| Класс защиты | II |
| Номинальное напряжение | 230 V ~ / 50 Гц |
| Ток включения | 800 A / 200 µs |
| Потребляемая мощность | 0,3 Вт |
| СЕНСОР | |
|---|---|
| Угол обнаружения | 360° |
| диапазоном обнаружения поперек | Ø 24 м |
| диапазоном обнаружения Фронтально | Ø 11 м |
| Угол охвата, диапазон обнаружения | Ø 8 м |
| Угол охвата | вплоть до 453 м² |
| Принят. Высота монтажа | 3 м |
| макс. Высота монтажа | 10 м |
| Яркость | 5 - 2000 lx |
| УПРАВЛЕНИЕ | |
|---|---|
| Кол-во каналов освещения | 2 |
| Кол-во каналов ОВК | 1 |
| Кнопочный вход освещение | 2 |
| Кнопочный вход ОВК | |
| Ведомый вход | |
| Макс. количество ведомых датчиков (Slave) | 10 |
| Режим | Полуавтоматика, полностью автоматический |
| Задержка при переключении от менее яркого освещения к более яркому | 300 сек |
| Задержка при переключении от более яркого освещения к менее яркому | 30 сек |
| КАНАЛЫ (ОСВЕЩЕНИЕ / ОВК) | |
|---|---|
| Канал | C1 Освещение |
| Функция | Переключение |
| Разрывная мощность |
230 В/50 Гц, 2300 Вт/10 А (cos φ = 1),1150 ВА/5 А (cos φ = 0,5)
600 Вт LED |
| Контакт выключателя | Замыкающий / с потенциалом |
| Вход выключателя | |
| Импульсная функция | |
| Время ожидания | 60 сек...30 мин (ступенчато регулируемый) |
| Канал | C2 Освещение |
| Функция | Переключение |
| Разрывная мощность |
230 В/50 Гц, 2300 Вт/10 А (cos φ = 1),1150 ВА/5 А (cos φ = 0,5)
600 Вт LED |
| Контакт выключателя | Замыкающий / с потенциалом |
| Вход выключателя | |
| Импульсная функция | |
| Время ожидания | 60 сек...30 мин (ступенчато регулируемый) |
| Канал | C3 ОВК |
| Функция | Переключение |
| Разрывная мощность |
230 В/50 Гц, 16 A реле,
1000 Вт/4,5 А (cos φ = 1) 500 Вт/А/2,25 А (cos φ = 0,5) 250 Вт LED |
| Контакт выключателя | Замыкающий / беспотенциальный |
| Время ожидания | 60 сек...15 мин (ступенчато регулируемый) |