Датчик присутствия B.E.G. PD4-M-HCL2-SM /white (93485)

Бренд
B.E.G. Luxomat
Артикул
93485
Тип датчика
Присутствия
Цвет
белый
Степень защиты
IP20 (для помещений)
Монтаж
Накладной
EAN
4007529934850
Бренд
B.E.G. Luxomat
Артикул:
93485
Цена:
62525,0 ₽
Заказать
Свяжитесь с нами и мы поможем вам правильно подобрать оборудование и комплектующие
Характеристики
EAN
4007529934850
Тип датчика
Присутствия
Цвет
белый
Степень защиты
IP20 (для помещений)
Монтаж
Накладной
Вариант установки
Потолочный
Угол обнаружения
360°
Мощность нагрузки, Вт
2300 Вт
Дальность обнаружения
24 м
Сенсор
Инфракрасный
Вид питания
DALI, DALI-2
Бренд
B.E.G. Luxomat
Гарантия
36 мес.
Вес
0.3 кг
Высота монтажа (макс.)
10 м
Описание

Сведения о продукте

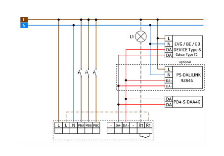
  • Двунаправленный датчик присутствия со встроенным прикладным контроллером DALI для энергоэффективного и биологически эффективного управления освещением (Human Centric Lifghting)
  • Встроенный источник питания DALI и 3 кнопочных входа
  • Предустановленные и свободно настраиваемые кривые HCL (12 опорных точек за 24 часа)
  • Настраиваемый режим связи «Вещание» (1 световая зона, без адресации) или «Мультикаст» (несколько световых зон, ОВиК, с адресацией)
  • Dim-2-Warm: яркость и цветовая температура могут плавно регулироваться одновременно долгим нажатием клавиши
  • Вызов сцен освещения с помощью аксессуара
  • Измерение смешанного света с внутренним и внешним датчиком света
  • Внешний датчик освещенности можно повернуть на 45
  • Мощное переключающее реле для различных режимов работы, например, функция отключения для балластов DALI, HVAC, освещения школьной доски.
  • Быстрый ввод в эксплуатацию и техническое обслуживание с помощью приложения для смартфона/планшета (Android, iOS) — не требуется компьютерный инструмент
  • Диапазон обнаружения может быть расширен за счет использования до 8 мультисенсоров BEG BMS.
  • До 64 драйверных светильников DT8 (цветовой тип Tc), может потребоваться удвоение выходного тока DALI с помощью аксессуаров
  • Полный набор функций можно активировать только с помощью BLE-IR-адаптера и совместимого смартфона или планшета (Android, iOS).
  • Встроенные часы реального времени автоматически регулируют цветовую температуру и уровень яркости таким образом, чтобы поддерживать циркадный ритм человека.
  • Датчик внешней цветовой температуры света, доступный в качестве аксессуара, может использоваться для измерения/передачи текущего значения дневного света.
  • Зона освещения А для основного освещения с сегментным регулированием в зависимости от дневного света в режиме смещения через 3 группы DALI
  • Зона освещения B для настольного или акцентного освещения через отдельную группу DALI или через встроенное реле
  • Зона освещения B - тип выхода, настраиваемый на коммутационный выход (заводская настройка) или регулируемый выход (аналогично группе 1)
  • Ручное переключение или диммирование с помощью обычных кнопок
  • Цветовую температуру можно регулировать отдельно и непрерывно с помощью отдельного кнопочного входа.
  • Настраиваемая динамика (минимальные и максимальные значения) яркости и цветовой температуры
  • Светодиоды состояния могут быть активированы/деактивированы
  • Пин-код
  • Функция ориентировочного света
  • Количество абонентов DALI можно быстро и надежно определить с помощью BEG Online DALI Line Planner.
  • Предотвращение резервных потерь системы освещения в соответствии с EnEV DIN V 18599-4

Технические данные

Напряжение: 230 В переменного тока ±10% 50 Гц

Размеры: SM= Ø 124 x 85 мм

Потребляемая мощность: ок. 2 Вт

Зона обнаружения: горизонтальный 360° (потолочный монтаж)

Диапазон: Макс. Ø 24 м
макс. Ø 8 м в сторону
макс. Ø 6,4 м в сидячем положении

Контролируемая зона (тангенциальное движение): 450 м² / 2,5 м монтажной высоты

Монтажная высота мин./макс./рекоменд.: 2 м / 10 м / 2,5 м

Степень/класс защиты: SM= IP20/Класс II

Сила удара: ИК04

Температура окружающей среды: от -25 °С до +50 °С

Корпус: поликарбонат, устойчивый к ультрафиолетовому излучению

ДАЛИ-контроль

Выход ДАЛИ: 100 мА (гарантировано), 120 мА (макс.)

поддерживаемый механизм управления: ДТ5. ДТ6. ДТ7. DT8-Tc (HCL возможен только с DT8-Tc, 2700–6500 K)

поддерживаемые устройства управления: BEG BMS (обнаружение движения)

Время наблюдения: 1 мин – 150 мин

Ориентировочный свет: 5 – 100 % / ВЫКЛ. / 1 мин. – 255 мин. / ∞

Установленное значение яркости: 10 – 2500 люкс

Реле (сухой NO)

Мощность переключения: 2300 Вт, cos φ = 1
1150 ВА, cos φ = 0,5
300 Вт LED
макс. пусковой ток Ip (20 мс) = 165 А, Ip (200 мкс) = 800 А

Тип контакта: 1x µ-контакт, НО контакт

Время наблюдения: 5 сек – 120 мин (HVAC)


Галерея
Whatsapp
Telegram
Телефон
Email
Наверх

Связаться с нами
Главная Каталог Корзина
0
Избранное Сравнение