Датчик присутствия B.E.G. PD4-M-DIM-HVAC-FC (92507)
Описание
- Дистанционно управляемый потолочный датчик присутствия PD4-M-DIM-HVAC-FC с возможностью диммирования света для скрытого монтажа в подвесной потолок, с круговым диапазоном обнаружения и дальностью действия 24 м
- Удобное и недорогое решение для регулировки постоянного освещения
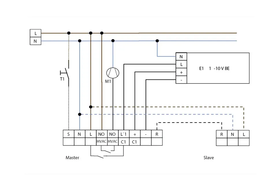
- Два канала коммутации, один для коммутации света, второй с нулевым потенциалом для коммутации ОКВ (отопления, кондиционировании и вентиляции).
- Выход для диммирования света с интерфейсом 1–10 В постоянного тока
- Возможность подключения любого количества SLAVE устройств для расширения диапазона обнаружения!
- Функции полностью автоматического или полуавтоматического режимов работы, диммирования света и коммутации выбираются с помощью доступного в качестве аксессуара ИК-пульта дистанционного управления
- Специальное исполнение с пружинными зажимами для легкого и быстрого встраивания непосредственно в светильники или подвесные потолки
Примеры использования
- Контроль больших площадей, например подземных гаражей, спортивных залов, складов, погрузочных платформ, залов
Технические данные
- Сетевое напряжение 230V
- Энергопотребление около 0,6 Вт
- Диапазон обнаружения 360°
- Дальность действия перпендикулярно Ø 24 м.
- Дальность действия фронтально Ø 8 м.
- Дальность действия присутствие Ø 6,4 м.
- Степень защиты IP20
- Габариты Ø 97 x В 103 мм
- Температура окружающей среды от -25°C до +50°C
- Корпус из высококачественного и устойчивого к УФ поликарбоната
- Пульты IR-PD-DIM-HVAC, IR-PD-DIM-Mini, IR-adapter c App (IOS/ Android)
Канал 1
- Каналы управления 1-10V
- Коммутационная способность 2300 Bт, cos φ = 1; 1150 BА, cos φ = 0,5
- Коммутационная способность 1-10V постоянного тока, макс. 50 ЭПРА
- Настройки времени 1 мин. — 30 мин.
- Уровень освещенности 10 - 2000 люкс
Канал 2
- Каналы управления 230V
- Коммутационная способность Замыкающий контакт, контакт NO, 230 В, 3 A, cos φ = 1
- Настройки времени Импульс сигнала тревоги, импульс или от 5 до 120 мин