Датчик движения Theben theLuxa E180 BK (1010206)
Описание функций
- Датчики движения (ИК)
- Автоматическое управление освещение по фактору движения и уровню естественного освещения
- Угол зоны обнаружения датчика 180°
- Подходят для установки на улице
- Сенсорная головка датчика может быть повернута на ± 90° по горизонтали и на 30° вниз
- Зона может быть ограничена с помощью непрозрачных наклеек
- Подходит для всех типов ламп: люминесцентные (FL/PL/ESL), галогенные/накаливания, а так же светодиодные источники света
- Функция «Тест» для проверки настроек и зоны обнаружения
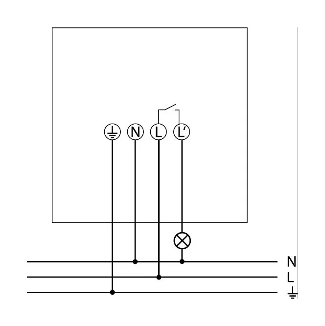
- Конструкция обеспечивает простой и быстрый монтаж «одной рукой»
Технические характеристики
| Номинальное напряжение | 230 V AC |
| Частота | 50 Гц |
| Энергопотребление в режиме ожидания | <1 Вт |
| Измерение освещенности | Смешанное измерение освещенности |
| Количество каналов | 1 |
| Цвет | Чёрный |
| Релейный выход | Освещение |
| Тип монтажа | Настенный монтаж |
| Диапазон настройки яркости | 5 – 1000 Лк |
| Коммутационная способность | 10 A при 230 В AC, cos φ = 1 |
| Угол зоны обнаружения | 180° |
| Задержка отключения освещения | 5 сек - 15 мин |
| Лампы накаливания/галогенные | 2300 Вт |
| Нагрузка люминесцентных ламп (обычных) параллельно компенсированных | 350 ВА 37 µF |
| Нагрузка люминесцентных ламп (обычных) последовательно компенсированных | 400 ВА |
| Светодиодные лампы < 2 Вт | 50 Вт |
| Светодиодные лампы 2-8 Вт | 150 Вт |
| Светодиодные лампы > 8 Вт | 150 Вт |
| Лампы |
Лампы накаливания/галогенные,
Люминесцентные лампы, Энергосберегающие лампы, LEDs |
| Дистанционно управляемый | Нет |
| Температура окружающей среды | -20°C ... +40°C |
| Класс электрической защиты | II |
| Степень защиты | IP 55 |
Диапазон измерений
| Высота установки | по диагонали | к датчику | |
| 2,5 м | 12 м | 4 м |