Датчик движения ESYLUX MD 360/8 Basic SMB (EB10430497)
Описание
- Датчик движения с углом охвата 360° для потолочного монтажа
- Дальность действия до 8 м в диаметре при рекомендованной монтажной высоте 3 м, для установки в небольших помещениях и проходах с отсутствием или очень малой долей естественного освещения
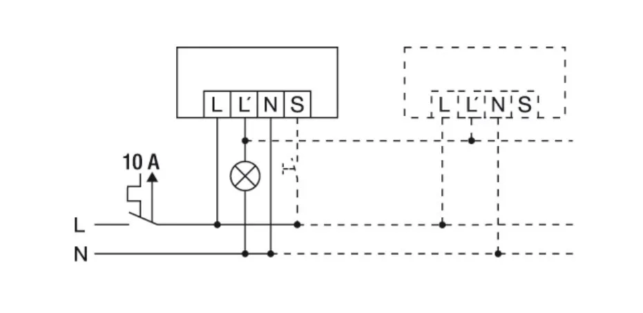
- Высокопроизводительное реле 10 А
- Щадящее переключение с прохождением через нуль
- Заводская настройка для мгновенной готовности к эксплуатации
- Коробка для коммутации
Технические характеристики
| ОБЩИЕ СВЕДЕНИЯ | |
|---|---|
| Особенные характеристики продукции | Подключение с пересечением нулевого уровня |
| Соответствие | CE , RoHS , WEEE |
| МОНТАЖ | |
|---|---|
| Тип монтажа | Накладной |
| Место установки | потолок |
| Подключение | 2,5 мм² / 1,5 мм² |
| КОРПУС | |
|---|---|
| Примерные |
Высота/глубина 50 мм, Ø 101 мм
|
| Масса | 114 г |
| Материал | УФ-стабилизированный поликарбонат |
| Степень защиты | IP40 |
| Допустимая температура окружающей среды | 0 °C...+50 °C |
| Относительная влажность воздуха | 5-93 % без конденсата |
| Цвет | белый, по цветовой гамме близок к RAL 9010 |
| ЭЛЕКТРИЧЕСКОЕ ИСПОЛНЕНИЕ | |
|---|---|
| Класс защиты | II |
| Номинальное напряжение | 230 V / 50 Гц |
| Потребляемая мощность | 0,2 Вт |
| Ток включения | 78 A / 5 ms |
| СЕНСОР | |
|---|---|
| Угол обнаружения | 360° |
| диапазоном обнаружения поперек | Ø 8 м |
| диапазоном обнаружения Фронтально | Ø 6 м |
| Угол охвата | вплоть до 50 м² |
| Высота монтажа | 3 м |
| макс. Высота монтажа | 5 м |
| Яркость | 5 - 1000 lx |
| Ведомый вход | нет |
| Количество параллельно подключаемых датчиков | 6 |
| полностью автоматический | да |
| Полуавтоматика | да |
| Импульсная функция | да |
|
Задержка при переключении
от менее яркого освещения к более яркому [с] |
0 сек |
|
Задержка при переключении
от более яркого освещения к менее яркому [с] |
30 сек |
| УПРАВЛЕНИЕ | |
|---|---|
| Канал 1 | Освещение |
| Интерфейс | Переключение |
| Контактная информация | Замыкающий / с потенциалом |
| Разрывная мощность, канал 1 | 230 В/50 Гц, 2300 Вт/10 А (cos φ = 1), 1150 ВА/5 А (cos φ = 0,5) |
| Вход выключателя канал 1 | |
| Время ожидания, канал 1 | 15 сек - 30 мин |
| Ручное дополнительное управление | да |