Датчик движения для склада Steinel IS 345 MX Highbay SQUARE LiveLink (009731)
Идеален для многоярусных складов. Высочайшее качество слежения.
Склады с высокими стеллажами часто имеют узкие проходы и очень высокие потолки. Слишком высокие для большинства датчиков. У нас есть правильное решение в нашем ассортименте: инфракрасный детектор движения IS 345 MX Highbay был специально разработан для монтажа на высоту до 14 метров и точного обнаружения между узкими проходами стеллажей. Он гарантирует высочайшее качество мониторинга.
Технические характеристики
|
Европейский номер артикула (EAN) |
4007841009731 |
|
Тип |
Детектор движения |
|
Размеры (Д х Ш х В) |
95 х 95 х 65 мм |
|
Сетевой источник питания |
16 В |
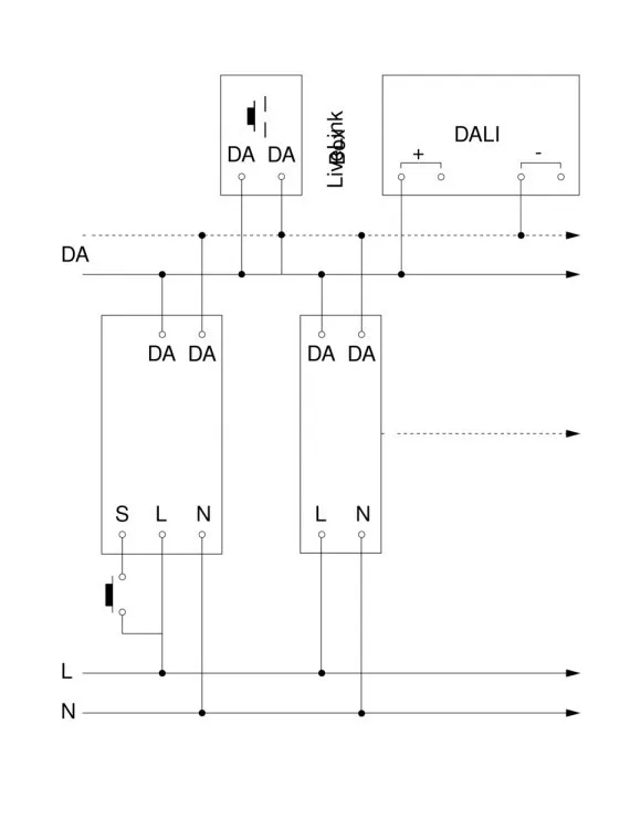
| Блок питания | Шина DALI |
|
Сенсор |
пассивный инфракрасный |
|
Применение |
в помещении |
|
Назначение |
многоярусный склад, в помещении |
|
Установка |
Накладной монтаж |
|
Электронная масштабируемость |
нет |
|
Механическая масштабируемость |
нет |
|
Монтажная высота |
4,00 - 14,00 м |
|
Оптимальная высота монтажа |
12 м |
|
Угол обнаружения |
360° |
|
Угол раскрытия |
9° |
|
Защита от подкрадывания |
да |
|
Возможность маскировки отдельных сегментов |
да |
| Зона покрытия |
30 х 4 м (120 м²) |
| Умная настройка освещенности |
да |
| Порог освещенности |
2 - 1000 лк |
|
Настройки времени |
60 с - 60 мин.
|
|
Постоянное управление освещением |
да |
|
Основная функция уровня света |
нет |
|
Настройки через |
Приложение LiveLink
|
|
С дистанционным управлением |
нет |
|
Работа в группе |
да |
|
IP-рейтинг |
IP54 |
|
Материал |
пластик |
|
Температура окружающей среды |
От -20 до 50° C |
|
Цвет |
белый |
|
Цвет, RAL |
9003 |
|
Гарантия производителя |
5 лет |
|
Версия |
LiveLink
|
|
Интерфейс |
LiveLink |
|
Сенсорная техника |
Пассивный инфракрасный |