Датчик движения B.E.G. PD3-1C-SM (92194)
Описание
- Потолочный датчик движения, с круговым диапазоном обнаружения, накладной монтаж
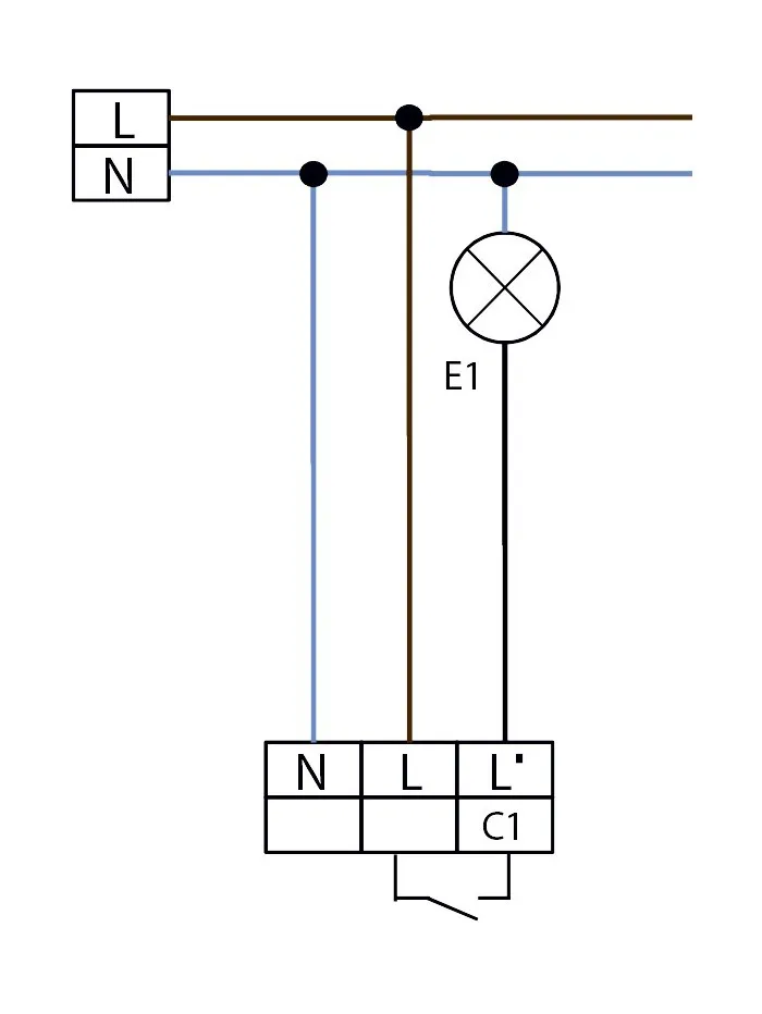
- Один канал для коммутации света
- Высокопроизводительное реле для коммутации мощных светильников
- Специальная оптическая система для регистрации даже наименьших движений
- Серийная импульсная функция (гонг)
- Без возможности управления с пульта ДУ
Примеры использования
Контроль небольших площадей, например лестничных клеток, отдельных гаражей, передних, туалетов
Технические данные
- Сетевое напряжение 230V
- Энергопотребление 0,5 Вт
- Диапазон обнаружения 360°
- Дальность действия перпендикулярно Ø10 м.
- Дальность действия фронтально Ø6 м.
- Дальность действия присутствие Ø4 м.
- Степень защиты IP20
- Габариты Ø106 x В 59 мм
- Температура окружающей среды от -25°C до +50°C
- Корпус из высококачественного и устойчивого к УФ поликарбоната
Канал 1
- Каналы управления 230V
- Коммутационная способность 2300 Bт, cos φ = 1; 1150 Bт, cos φ = 0,5
- Настройки времени 30 с — 30 мин или импульс
- Уровень освещенности 10 - 2000 люкс