Датчик движения B.E.G. Indoor 180-R-11-48V-3A без рамки (92666)
Описание
- Датчик присутствия/внутренний датчик движения Indoor 180-R-11-48V-3A (версии 3 A) для подключения к источнику питания 11-48В (шинные системы, которые являются собственностью фирмы)
- Возможность комбинирования с рамкой крышки пяти различных цветов
- В сочетании с промежуточной рамкой подходит для всех распространенных выключателей, предназначенных для скрытого монтажа
- Исполнение IP20 и IP54 (исполнение IP54 для влажных помещений, гаражей, лестниц в подвал)
- Для монтажных высот 1,10–2,20 м (сбоку от двери или над дверью)
- Возможность открытого монтажа с помощью аксессуара «цоколь для открытого монтажа» (92141)
Примеры использования
Контроль общественных туалетов, коридоров, архивов, комнат для совещаний
Технические данные
- Сетевое напряжение 11-48 В AC/DC
- Энергопотребление около 1 Вт
- Диапазон обнаружения 180°
- Дальность действия перпендикулярно макс. 10 м.
- Дальность действия фронтально макс. 3 м.
- Степень защиты IP20
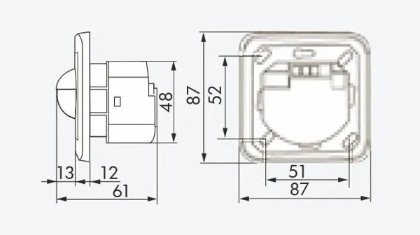
- Габариты Д 87 x Ш 87 x В 61 мм
- Температура окружающей среды от -25°C до +50°C
- Корпус из высококачественного и устойчивого к УФ поликарбоната
Канал 1
- Каналы управления 11-48 В AC/DC
- Коммутационная способность 3 A, cos φ = 1
- Настройки времени 15 сек до 30 мин. или импульс
- Уровень освещенности 2 - 2000 люкс